
Experience Efficiency with the EKKO Electric Pallet Stacker
Features:
- High Capacity: Lifts up to 4,400 lbs, perfect for heavy material handling.
- Side-Shifting: Smooth lateral movement for maximum precision in tight spaces.
- Adjustable Forks: Fork width adjustable from 8.27" to 31.5", handles different loads freely.
- Ergonomic Design: Ergonomic handle and controls for operator comfort.
- Durable Construction: Premium steel and robotic welding for durability and strength.
Product Description:
From Data to Material Handling Solution — Not to mention the Industry 4.0 era
It’s designed to give you the power, maneuverability and precision you need for all your material-handling applications. A forklift, reach truck and walkie stacker in one unit to load and unload trucks, stockrooms, manufacturing floors and improve warehouse performance. From tight spaces to heavy loads, the EB16EAS-189LI loads and lifts with precision and efficiency.
Notable Lineman and Elevation Capacity
Palettis EKKO EB16EAS-189LI has a solid load capacity of 4,400 lbs. With a maximum lifting height of 189 inches, it can reach high shelves and stack materials where they belong. A free lift height of 51.85 inches allows you to stack the forks or cargo above ground level without having to raise the forks.
Versatile Side-Shifting and Adjustable Forks
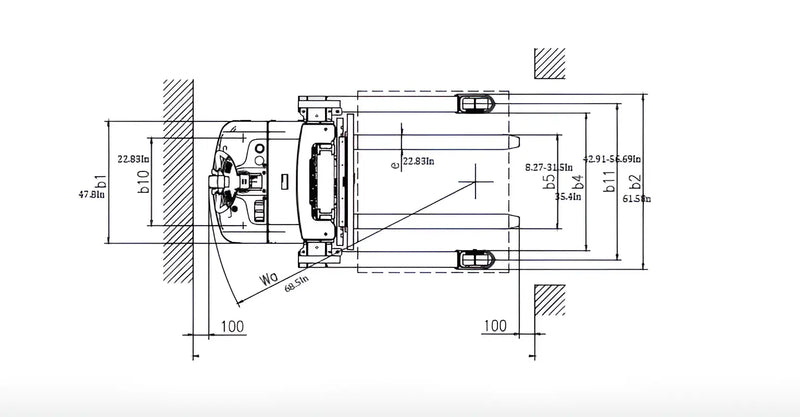
Another great feature of this stacker is its side-shifting ability. This allows for side movement of the load without having to reposition the entire stacker, thus improving accuracy and perfect for narrow warehouse aisles and cramped working environments. And the adjustable fork width (from 8.27” to 31.5”) allows the stacker to handle different pallet sizes, across any warehouse or manufacturer.
Strong in Performance / Power and EfficiencyThe machine has a 24V AC drive motor (1.5 kW) and 24V lifting motor (3kw) so it’s a powerful and energy efficient helper. Another plus is the stacker’s EPS (Electric Power Steering) so you can operate with least physical effort and minimal fatigue. The ergonomic handle and controls provide comfort and efficiency throughout the shift and the 90-degree articulation adds to both of those.
Built to Last Long
Made with premium steel and robotic welding, the EKKO EB16EAS-189LI is durable and perfect for daily use in multiple applications. Whether on smooth warehouse floors or rough terrains, this stacker runs continuously without interruption, reducing downtime and repair costs. Its solid construction means long service life so it’s a smart investment for any operation.
Desktop and Space Saving
This stacker is compact so it can run in small areas with ease. And more than that, the turning radius of the vehicle is 68.5 inches so it’s more maneuverable in tight spaces like loading docks or congested warehouse aisles. The adjustable legs (38.06” to 51.81”) also allows the stacker to meet different loading dock heights, making it more versatile.
Reliable and Safe Operations
Equipped with advanced safety features, the EKKO EB16EAS-189LI prioritizes safety to protect operators and equipment. The stacker has ergonomic controls and smooth power steering for precise handling and minimizes the risk of an accident and damage to materials. And it’s backed by 3-year limited warranty so your investment is protected against unforeseen repairs.
In a Nutshell: The Solution for Your Material Handling NeedsEKKO Model EB16EAS-189LI Electric Straddle Stacker For Your Material Handling Needs You can add to a stacker’s versatility with its ability to handle heavy loads, operate in tight spaces or maneuver high rack areas faster and more efficiently. With side-shifting, adjustable forks and durable construction the EKKO EB16EAS-189LI is perfect for companies looking to increase productivity and efficiency in their warehouses and distribution centers.
189" Lift Height
The EKKO EB16EAS-189Li stands out with its 189” lift height so you can handle tall loads with ease. This is crucial in warehouse settings where space is at a premium. With its robust design you can rely on this straddle stacker to lift 4400 lbs, safe and efficient. So whether you need to stack pallets high or retrieve items from high locations this stacker doesn’t delay.
Side-Shifting
Besides its high lifting capabilities the EKKO EB16EAS-189Li has exceptional side-shifting. This allows you to move loads sideways without repositioning the whole vehicle. It’s perfect for narrow aisles, saving space and increasing productivity. So operators can save time as they adjust load positions, overall workflow.
Lithium Power
One of the features of the EKKO EB16EAS-189Li is its lithium battery system. This technology provides long lasting power and less downtime as it charges fast. Compared to lead-acid batteries lithium requires less maintenance and its eco-friendly design has a lower environmental impact. So businesses can handle their material handling tasks efficiently and sustainably.
Powerful Performance with 189" Lift Height
The EKKO EB16EAS-189Li stands out due to its impressive 189-inch lift height, making it capable of handling tall loads effortlessly. This feature proves essential in warehouse settings, where vertical space is a premium. Because of its robust design, operators can rely on this straddle stacker to elevate loads up to 4400 pounds, ensuring efficiency and safety in operations. So, whether you need to stack pallets high or retrieve items from elevated locations, this stacker delays no performance.
Exceptional Side-Shifting Capability
Besides its high lifting abilities, the EKKO EB16EAS-189Li offers remarkable side-shifting functionality. This capability allows users to maneuver loads sideways without repositioning the entire vehicle. It is particularly beneficial in narrow aisles, optimizing space and increasing productivity. Therefore, operators can save time as they effortlessly adjust load positions, enhancing overall operational workflow.
Environmentally Friendly Lithium Power
One of the highlights of the EKKO EB16EAS-189Li is its lithium battery system. This technology not only provides long-lasting power but also reduces downtime as it charges quickly. Compared to traditional lead-acid batteries, lithium options require less maintenance, and their eco-friendly design means they have a lower environmental impact. Thus, businesses that choose this model can navigate their material handling tasks efficiently while promoting sustainability.
Powerful Lifting Capability
The EKKO EB16EAS-189Li Electric Pallet Stacker is designed for efficiency, offering an impressive lift height of 189 inches and a capacity of 4400 lbs. This means you can easily stack and retrieve pallets high above the ground, which is especially useful in warehouses with limited floor space. Because of its substantial lifting capability, this stacker is ideal for handling heavy loads effortlessly.
Innovative Side-Shifting Feature
One of the standout features of the EKKO Electric Pallet Stacker is its side-shifting mechanism. This function allows operators to move loads laterally, which enhances maneuverability in tight spaces. So when navigating through crowded aisles, you can make precise adjustments without needing to reposition the entire stacker. This innovation helps to save time and increases safety during operations.
Ergonomic Design for Operator Comfort
The design of the EKKO EB16EAS-189Li ensures maximum comfort for operators. With an ergonomic handle and controls placed within easy reach, it reduces fatigue during prolonged use. Operators will find it easier to concentrate on their tasks, and as a result, productivity increases. This commitment to user-friendly design means that both experienced and novice operators can work with confidence.
| Model | EB16EAS-189LI |
| Load Capacity | 4400 lbs |
| Max Lifting Height | 189 in |
| Fork Length | 45.3 in |
| Service Weight | 3520 lbs |
VovLift Shipping Policy for the United States
Shipping Coverage:We currently offer shipping only within the United States. International shipping is not available at this time.
Handling Time:1-4 business days (Monday to Friday)
Each product goes through a production process, so handling time is required.
Shipping Rates and Transit Time:
Standard Shipping (Tracking Included)
| Order Value: $0.01 - $499.99 | Transit Time: 5 to 8 business days | Shipping Fee: $50 |
| Order Value: $500.00 - $999.99 | Transit Time: 5 to 8 business days | Shipping Fee: $100 |
| Order Value: $1,000.00 $1,499.99 | Transit Time: 5 to 8 business days | Shipping Fee: $150 | Order Value: $1,500.00 - $1,999.99 | Transit Time: 5 to 8 business days | Shipping Fee: $200 | Order Value: $2,000.00 - $2,499.99 | Transit Time: 5 to 8 business days | Shipping Fee: $300 | Order Value: $2,500.00 and up | Transit Time: 5 to 8 business days | Shipping Fee: Free |
WHY CHOOSE US?
☑ Quick and Reliable Service: Our prompt response and efficient service give you peace of mind, whether for your business or home.
☑ Direct Manufacturer Shipping: We ship directly from our manufacturers, saving you costs and ensuring you get the full manufacturer’s warranty on all products.
☑ Trusted Experts: Friendly and knowledgeable, our team is trusted by hundreds of businesses and home builders.
☑ Hassle-Free Returns: Enjoy a 30-day money-back guarantee on most products (please confirm with customer service) and an SSL secure payment gateway for a stress-free shopping experience.
☑ Best Price Guarantee: Our price match guarantee ensures you get the best deal online, even after your purchase.
☑ Quality Assurance: We work closely with both commercial and residential customers daily, ensuring top-notch workmanship every time.
Why Vovlift?
Your #1 Source for Industrial and Material-Handling Equipment
Best Price Guarantee
We price-match eligible offers and make sure you always get our lowest market price.
Best Customer Service Guarantee
Real gear experts on call. Fast, friendly help by phone, chat, or email—every time.
60-Day Returns Policy
Easy returns within 60 days. No hassles, just straightforward service.
FAQ
Your order will be processed in 1-4 business days before shipping. After that, standard shipping takes an additional 5-8 business days for delivery. In total, you can expect your order to arrive within approximately 6-12 business days from when you place your order.
Read more about our Shpipping Policy
We are committed to ensuring a safe shopping experience on our Website. We place the highest value on your privacy and security.
We accept all major credit cards and payments made via Visa, Mastercard, American Express, Discover, Diners Club, Shop Pay, Apple Pay, Google Pay, Meta Pay, and PayPal.
Vovlift accepts returns within 60 days from the delivery date. To be eligible for a return, your item must be unused, in the same condition that you received it, and in its original packaging. Please include the original order confirmation or packing slip when returning an item.
Please read our Return Policy.
If you receive a damaged or defective item, please contact us immediately at info@vovlift.com with details and photos of the issue. We will work to resolve the problem promptly.
To place an order online, simply click “Add To Cart” on your preferred product and proceed to checkout. Enter your shipping and billing information and complete checkout.
Once you place your order, you will receive a confirmation email confirmation credit card authorization and shipping/billing information.
We will immediately process your order and you will receive an email confirming your order has shipped with a tracking number once it leaves the warehouse.
If an item goes out of stock, you will be notified via email or phone within one business day. We take great measures to ensure all products listed on our website are in stock, but often times items can quickly sell out due to high demand.
An order confirmation message will be sent to the e-mail address you provide us for each order you submit. We recommend that you print and save the e-mail confirmation for your records. Please be sure to enter your e-mail address correctly to ensure that you receive your order confirmation.
Yes, you can change your order at no cost by simply emailing us at info@vovlift.com.
- Choosing a selection results in a full page refresh.
- Opens in a new window.